0539-6389886
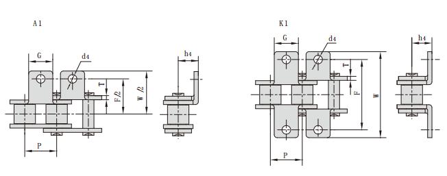
08ASS_08ASSA1 08ASSK1 單側雙側
08ASSA1_不銹鋼鏈條 帶附件
聯系人:孔經理
手 機:13053953194
電 話:0539-6389886
郵 箱:2915442155@qq.com
公 司:山東圣鐸鏈傳動有限公司
地 址:山東臨沂市羅莊區通達南路17號